Thông tin van Yuci Yuken TC
Đặc điểm van Yuci Yuken TC
Van chỉnh lưu lượng một chiều modular TC series là thiết bị được Yuci Yuken sản xuất với nhiệm vụ là điều chỉnh lưu lượng của dòng chất qua van theo yêu cầu của người vận hành.
Thông tin kỹ thuật của van chỉnh lưu lượng một chiều modular TC series:
+ Tên thiết bị: Van chỉnh lưu lượng một chiều modular Yuci Yuken TC series
+ Hãng sản xuất: Yuci Yuken
+ Lưu chất: Dầu, nhớt, chất lỏng thủy lực
+ Kiểu van: Van chỉnh lưu lượng một chiều modular
+ Áp suất vận hành tối đa: 25 MPa
+ Lưu lượng tối đa của van: Đối với loại van TC1G-01-40/4090, TC2G-01-40/4090 thì lưu lượng là 30 L/min, TC1G-03- -40/4090, TC2G-03- -40/4090 có thể đạt 80 L/min.
+ Trọng lượng của van: Dao động từ 0.6 kg- 1.8 kg tùy vào loại van
+ Các loại van bao gồm: TC1G-01-40/4090, TC2G-01-40/4090, TC1G-03- -40/4090, TC2G-03- -40/4090.
Van chỉnh lưu lượng một chiều modular Yuci Yuken TC series được người ta lắp trong hệ thống cung cấp dầu, bộ nguồn thủy lực hay các máy móc phục vụ ép, chấn, dập, đột lỗ… trong nhà máy sản xuất xi măng, nhựa, hóa chất, luyện kim, lắp ráp ô tô…
Các loại van Yuci Yuken TC
Van chỉnh lưu lượng một chiều modular Yuci Yuken TC series có rất nhiều loại khác nhau, quý khách hàng có thể tham khảo list dưới đây để chọn lựa cho chính xác và nhanh chóng:
TC1G-01*
TC2G-01*
TC1G-03*
TC2G-03*
Tài liệu kỹ thuật van chỉnh lưu lượng một chiều Yuci Yuken TC
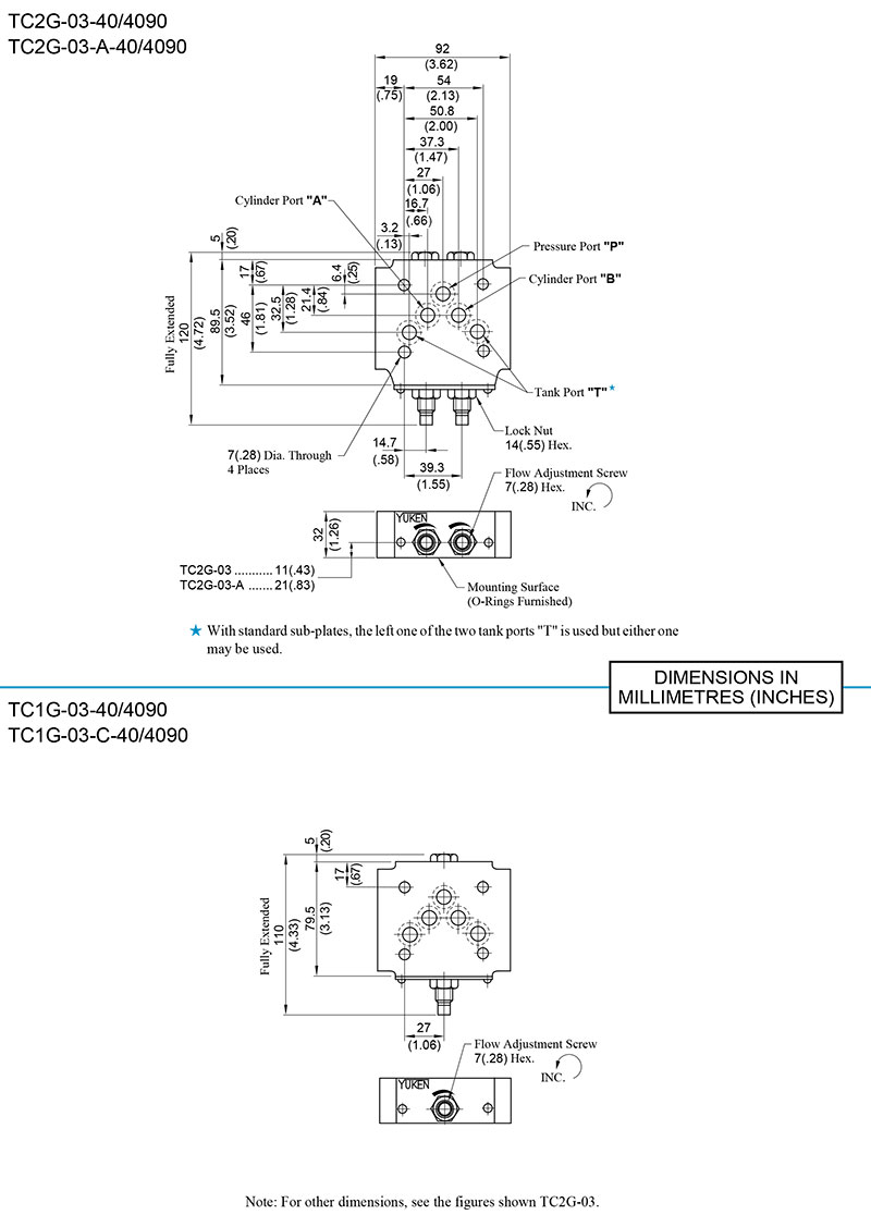
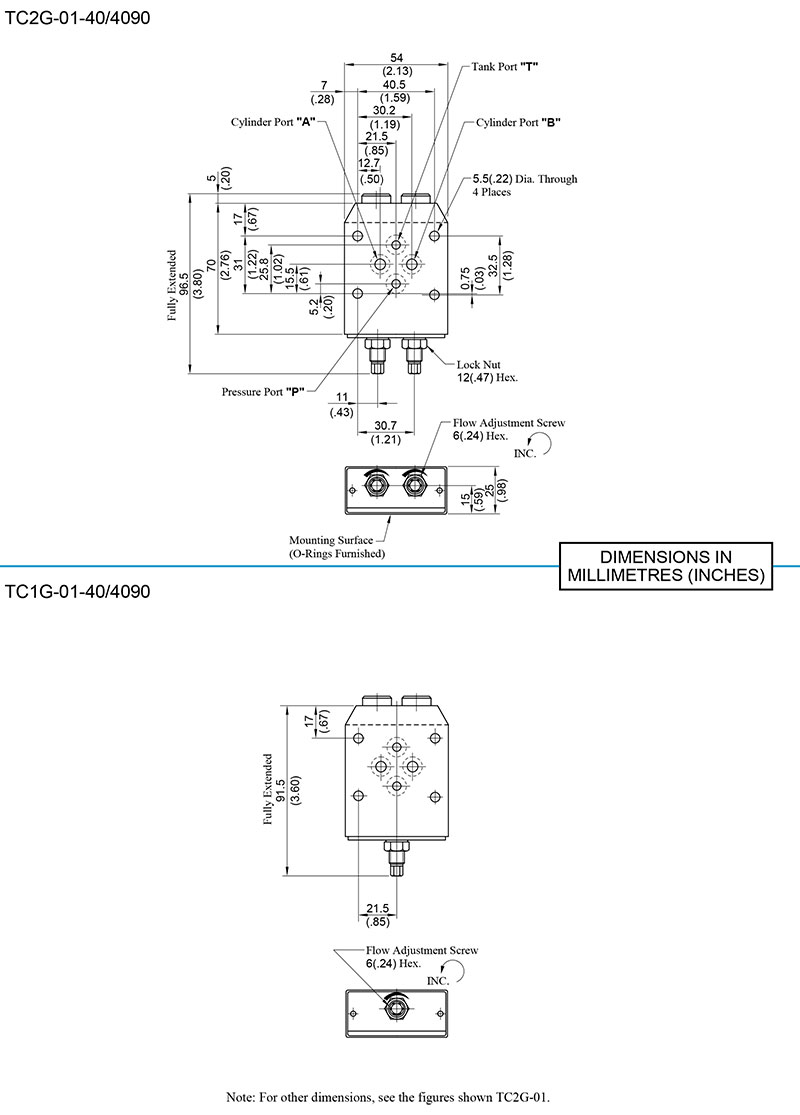
Hãng Yuci Yuken đã cung cấp đầy đủ thông tin về van chỉnh lưu lượng một chiều modular Yuci Yuken TC series với các bảng thông số kỹ thuật, bảng vẽ kích thước van, sơ đồ hoạt động của thiết bị, sơ đồ mã. Đây là những thông tin mà khách hàng không nên bỏ qua, chúng tôi đã tổng hợp dưới đây
Thông số kỹ thuật van chỉnh lưu lượng một chiều Yuci Yuken TC

Sơ đồ chọn mã van chỉnh lưu lượng một chiều Yuci Yuken TC

Sơ đồ hoạt động van chỉnh lưu lượng một chiều Yuci Yuken TC

Bảng thông số lưu lượng van chỉnh lưu lượng một chiều Yuci Yuken TC

Bản vẽ kích thước van chỉnh lưu lượng một chiều Yuci Yuken TC

