Thông tin van Yuci Yuken SR(C)T/G-03/06/10
Đặc điểm van Yuci Yuken SR(C)T/G-03/06/10
SR(C)T/G-03/06/10 series là loại van chỉnh lưu lượng của hãng Yuci Yuken được rất nhiều khách hàng tin tưởng, sử dụng trong thời gian gần đây. Chức năng của van đó là điều chỉnh lưu lượng của dầu, nhớt hay các chất lỏng, hóa chất đi qua van.
Thông tin kỹ thuật của Van chỉnh lưu lượng SR(C)T/G-03/06/10 series:
+ Tên thiết bị: Van chỉnh lưu lượng Yuci Yuken SR(C)T/G-03/06/10 series
+ Hãng sản xuất: Yuci Yuken
+ Lưu chất: Dầu, nhớt, chất lỏng thủy lực
+ Kiểu van: Van chỉnh lưu lượng
+ Áp suất vận hành tối đa: 25 Mpa
+ Lưu lượng tối đa của van: Từ 30 L/min,85 L/min, 230 L/min tùy thuộc loại van.
+ Trọng lượng của van: Từ 1.5 kg đến .1 kg tùy thuộc vào loại
+ Các loại van bao gồm:
SRT: SRT-03-50/5080/5090, SRT-06-50/5080/5090, SRT-10-50/5080/5090.
SRG: SRG-03-50/5080/5090, SRG-06-50/5080/5090, SRG-10-50/5080/5090.
SRCG: SRCG-03-50/5080/5090, SRCG-06-50/5080/5090, SRCG-10-50/5080/5090.
SRCT: SRCT-03-50/5080/5090, SRCT-06-50/5080/5090, SRCT-10-50/5080/5090.
Trong các hệ thống thủy lực công suất lớn nhỏ khác nhau thì Van chỉnh lưu lượng Yuci Yuken SR(C)T/G-03/06/10 series luôn chiếm vai trò quan trọng. Van được sử dụng trong các hệ thống ép nhựa, máy ép phế liệu, các bộ nguồn thủy lực, máy đột thủy lực…
Các loại van Yuci Yuken SR(C)T/G-03/06/10
Quý khách hàng có thể tra và tìm mã van chỉnh lưu lượng Yuci Yuken SR(C)T/G-03/06/10 series một cách thuận lợi trong bảng list mà chúng tôi đã tổng hợp và liệt kê dưới đây:
SRT*
SRG*
SRCT*
SRCG*
Tài liệu kỹ thuật van chỉnh lưu lượng Yuci Yuken SR(C)T/G-03/06/10
Dưới đây là tài liệu kỹ thuật quan trọng về van chỉnh lưu lượng Yuci Yuken SR(C)T/G-03/06/10 series mà các khách hàng không thể bỏ qua khi tìm hiểu, lựa chọn thiết bị này để lắp mới hay thay thế. Khách hàng có thể tra mã van cũng như tham khảo kỹ về thông số kỹ thuật, thông tin lưu lượng, bảng vẽ cụ thể của nó:
Thông số kỹ thuật van chỉnh lưu lượng Yuci Yuken SR(C)T/G-03/06/10

Sơ đồ chọn mã van chỉnh lưu lượng Yuci Yuken SR(C)T/G-03/06/10

Sơ đồ hoạt động van chỉnh lưu lượng Yuci Yuken SR(C)T/G-03/06/10

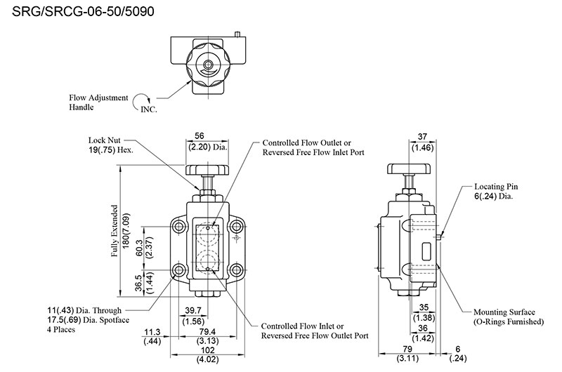
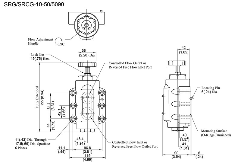
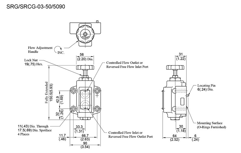
Bản vẽ kích thước van chỉnh lưu lượng Yuci Yuken SR(C)T/G-03/06/10




