Thông tin van Yuci Yuken RBG-03/06
Đặc điểm van Yuci Yuken RBG-03/06
Van giảm áp suất RBG-03/06 series là một trong những thiết bị giảm áp nổi tiếng của hãng Yuci Yuken. Thiết bị được nghiên cứu và sản xuất trên một dây chuyền hiện đại, tiêu chuẩn nên rất bền, đẹp, hiệu quả và tiêu chuẩn.
Thông tin kỹ thuật của van giảm áp suất RBG-03/06 series:
+ Tên thiết bị: Van giảm áp suất Yuci Yuken RBG-03/06 series
+ Hãng sản xuất: Yuci Yuken
+ Lưu chất: Dầu, nhớt, chất lỏng thủy lực
+ Kiểu van: Van giảm áp modular
+ Lưu lượng tối đa: Với RBG-03 thì lưu lượng là 50 L/min, RBG-06 có lưu lượng đạt 125 L//min.
+ Áp suất vận hành tối đa: Đối với loại van RBG-03 là 14 Mpa còn RBG-06 là 25 Mpa.
+ Các loại van: RBG-03, RBG-06
Van giảm áp suất RBG-03/06 series là thiết bị được người ta tin tưởng và lắp đặt trong hầu hết các hệ thống thủy lực để phục vụ cho sản xuất, gia công, cơ khí chế tạo máy hay khai khoáng với các máy móc thủy lực thông dụng: Máy ép, máy cẩu, máy dập, máy nghiền hay các bộ nguồn thủy lực…
Các loại van Yuci Yuken RBG-03/06
Tài liệu kỹ thuật van giảm áp suất Yuci Yuken RBG-03/06
Những thông số kỹ thuật, sơ đồ mã, sơ đồ hoạt động hay bảng thông số lưu lượng, bảng vẽ kích thước chi tiết của van giảm áp suất Yuci Yuken RBG-03/06 series sẽ giúp các kỹ sư đọc van nhanh và chính xác hơn, tạo sự thuận lợi cho chọn mua, lắp đặt:
Thông số kỹ thuật van giảm áp suất Yuci Yuken RBG-03/06

Sơ đồ chọn mã van giảm áp suất Yuci Yuken RBG-03/06

Sơ đồ hoạt động van giảm áp suất Yuci Yuken RBG-03/06

Bảng thông số lưu lượng van giảm áp suất Yuci Yuken RBG-03/06

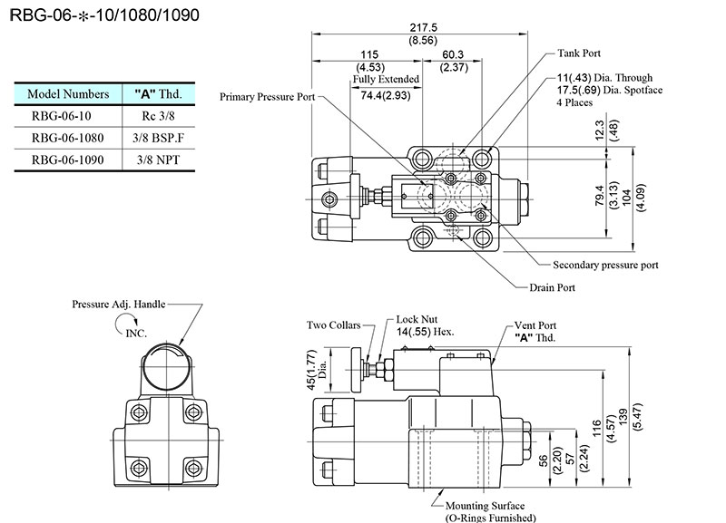
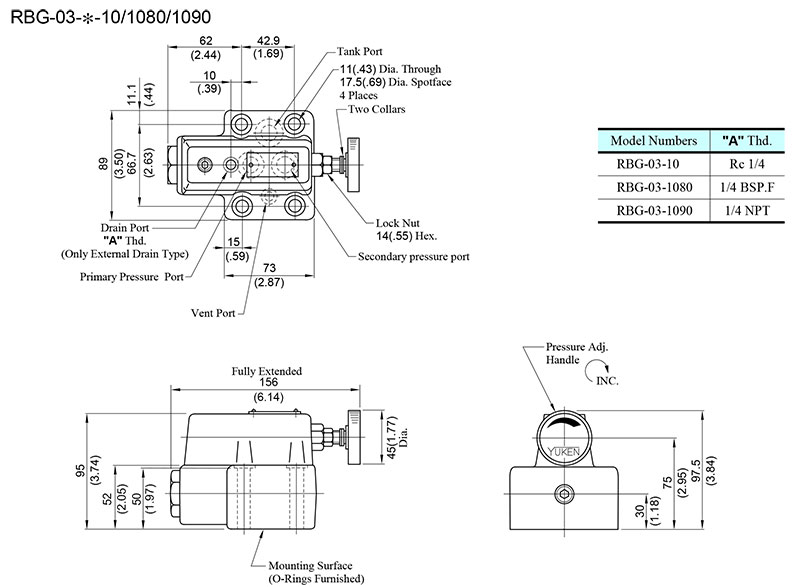
Bản vẽ kích thước van giảm áp suất Yuci Yuken RBG-03/06




