Thông tin van Yuci Yuken MS-04
Đặc điểm van Yuci Yuken MS-04
Van chỉnh lưu lượng modular Yuci Yuken MS-04 series thực hiện chức năng duy nhất đó là điều chỉnh lưu lượng của chất lỏng qua van. Khách hàng có thể điều chỉnh tăng hoặc giảm lưu lượng để phù hợp với yêu cầu của từng chấp hành, động cơ tại các thời điểm khác nhau.
Thông tin kỹ thuật của van chỉnh lưu lượng modular MS-04 series:
+ Tên thiết bị: Van chỉnh lưu lượng modular Yuci Yuken MS-04 series
+ Hãng sản xuất: Yuci Yuken
+ Lưu chất: Dầu, nhớt, chất lỏng thủy lực
+ Kiểu van: Van chỉnh lưu lượng modular
+ Lưu lượng tối đa: 300 L/min
+ Áp suất vận hành tối đa: 350 Kg/cm2
+ Các loại van: MSA-04, MSB-04, MSW-04
Van chỉnh lưu lượng modular MS-04 series cùng với các van thủy lực khác đến từ Yuci Yuken được rất nhiều người chọn để lắp trong các hệ thống thủy lực.
MS-04 series được lắp trong các bộ nguồn thủy lực, các máy ép nhựa, máy cán tôn, máy dập khuôn…trong các nhà máy công nghiệp nặng như: Cơ khí chế tạo máy, sản xuất inox, sản xuất xi măng hay các nhà máy sản xuất giấy, gỗ, hóa chất, luyện kim…
Các loại van Yuci Yuken MS-04
MSA-04*
MSB-04*
MSW-04*
Tài liệu kỹ thuật van chỉnh lưu lượng modular Yuci Yuken MS-04
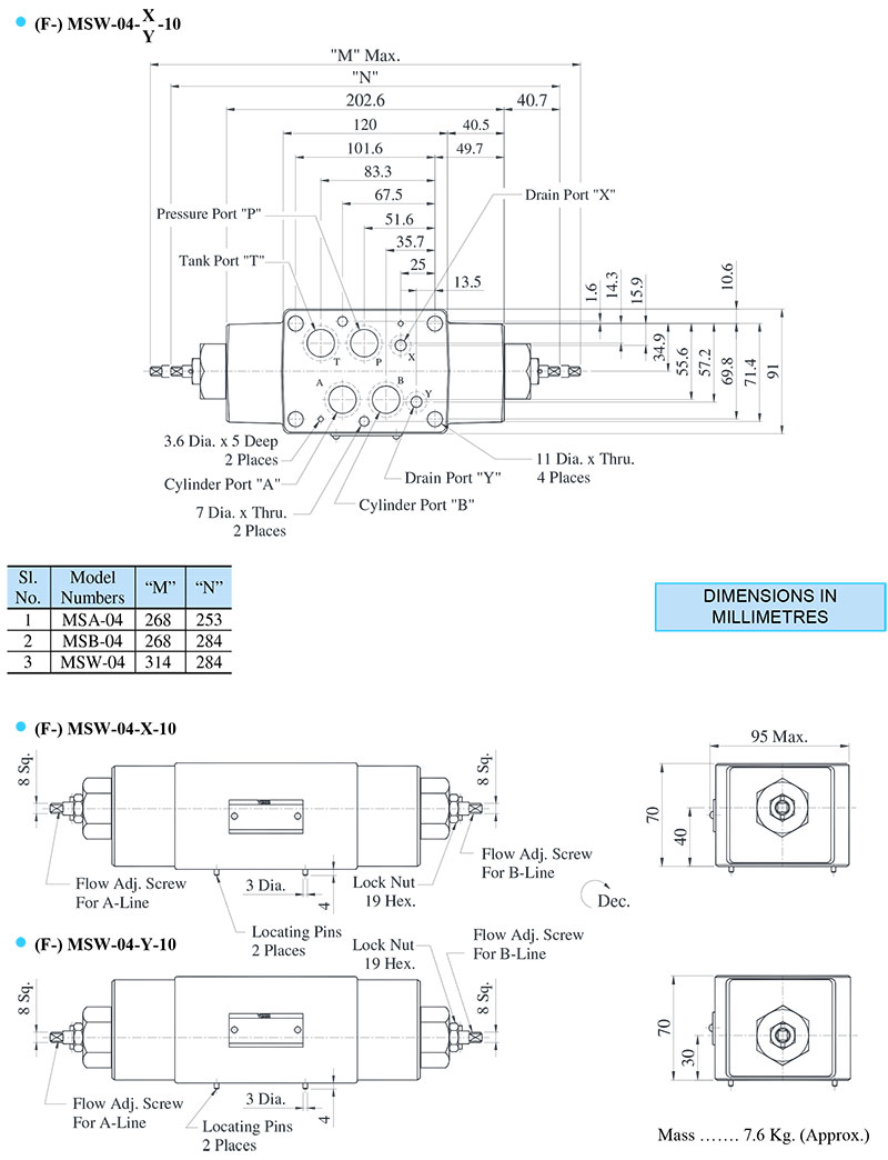
Chắc chắn những thông tin về van chỉnh lưu lượng modular Yuci Yuken MS-04 series như: thông số lưu lượng cụ thể, bảng vẽ kích thước, sơ đồ chọn mã hay sơ đồ hoạt động là những điều mà khách hàng quan tâm hàng đầu. Chúng tôi xin cung cấp các tài liệu tổng hợp để khách hàng cập nhật nhanh chóng, chính xác về loại van điện từ điều hướng này:
Thông số kỹ thuật van chỉnh lưu lượng modular Yuci Yuken MS-04

Sơ đồ chọn mã van chỉnh lưu lượng modular Yuci Yuken MS-04

Sơ đồ hoạt động van chỉnh lưu lượng modular Yuci Yuken MS-04

Bảng thông số lưu lượng van chỉnh lưu lượng modular Yuci Yuken MS-04

Bản vẽ kích thước van chỉnh lưu lượng modular Yuci Yuken MS-04

