Thông tin van Yuci Yuken MR-06
Đặc điểm van Yuci Yuken MR-06
Van modular Yuci Yuken MR-06 series thực hiện nhiệm vụ giảm áp lực trong hệ thống đến mức áp phù hợp với yêu cầu của người điều khiển cũng như các thiết bị cơ cấu, chấp hành.
Cách sử dụng van giảm áp modular Yuci Yuken MR-06 series rất đơn giản: Đầu tiên là người dùng phải nới lỏng đai ốc. Sau đó, họ tiến hành vặn vít điều chỉnh. Tùy vào nhu cầu mà khách hàng vặn theo chiều kim đồng hồ cho đến khi phù hợp thì siết đai ốc chặt chẽ như ban đầu.
Thông tin kỹ thuật của van giảm áp modular Yuci Yuken MR-06 series:
+ Tên thiết bị: Van giảm áp modular Yuci Yuken MR-06 series
+ Hãng sản xuất: Yuci Yuken
+ Lưu chất: Dầu, nhớt
+ Kiểu van: Van chống lún modular
+ Lưu lượng tối đa: Đối với MR*-06-A-30/3090 là 125 L/min, còn van MR*-06-C-30/3090, MR*-06-B-30/3090, MR*-06-H-30/3090 là 500 L/min.
+ Áp suất vận hành tối đa: 25 Mpa hay 3630 PSI
+ Các loại van: MR*-06-A-30/3090, MR*-06-C-30/3090, MR*-06-B-30/3090, MR*-06-H-30/3090.
Ứng dụng của van giảm áp modular Yuci Yuken MR-06 series rất đa dạng. Hầu như trong hệ thống thủy lực nào cũng có lắp một hoặc vài van giảm áp: bộ nguồn của máy ép nhựa, máy móc công trình xây dựng, máy đột lỗ, máy nghiền…
Các loại van Yuci Yuken MR-06
Tất cả các dòng van giảm áp modular Yuci Yuken MR-06 series đã được chúng tôi liệt kê một cách đầy đủ, chi tiết dưới đây:
MRP-06*
MRA-06*
MRB-06*
Tài liệu kỹ thuật van giảm áp modular Yuci Yuken MR-06
Chắc chắn những thông tin về van giảm áp modular Yuci Yuken MR-06 series như: thông số lưu lượng cụ thể, bảng vẽ kích thước, sơ đồ chọn mã hay sơ đồ hoạt động là những điều mà khách hàng quan tâm hàng đầu. Chúng tôi xin cung cấp các tài liệu tổng hợp để khách hàng cập nhật nhanh chóng, chính xác về loại van điện từ điều hướng này:
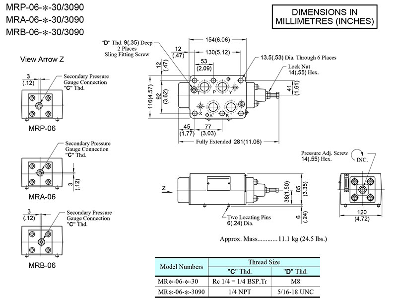
Thông số kỹ thuật van giảm áp modular Yuci Yuken MR-06

Sơ đồ chọn mã van giảm áp modular Yuci Yuken MR-06

Sơ đồ hoạt động van giảm áp modular Yuci Yuken MR-06

Bảng thông số lưu lượng và áp suất van giảm áp modular Yuci Yuken MR-06

Bản vẽ kích thước van giảm áp modular Yuci Yuken MR-06

