Thông tin van Yuci Yuken MB-01
Đặc điểm van Yuci Yuken MB-01
Van chỉnh áp modular Yuci Yuken MB-01 series được hãng thiết kế tối ưu nhằm mang lại sự thuận tiện khi lắp đặt và sử dụng. Van thực hiện việc điều chỉnh áp suất của chất lỏng trong hệ thống để đảm bảo đáp ứng yêu cầu làm việc của chấp hành.
Để điều chỉnh áp suất thì khách hàng chỉ cần thao tác: Nới lỏng kết hợp với vặn nhẹ nhàng ốc điều chỉnh theo chiều thuận kim đồng hồ hoặc chiều nghịch kim đồng hồ.
Với một số trường hợp, lưu lượng dòng chảy nhỏ, áp suất không ổn định thì khách hàng cần tham khảo kỹ về đặc tính dòng chảy tối thiểu, khả năng sử dụng van trong các phạm vi.
Thông tin kỹ thuật Yuci Yuken MB-01 series:
+ Tên thiết bị: Van chỉnh áp modular Yuci Yuken MB-01 series
+ Hãng sản xuất: Yuci Yuken
+ Lưu chất: Dầu, nhớt
+ Kiểu van: Van chỉnh áp modular
+ Lưu lượng tối đa: 35 L/min
+ Áp suất vận hành tối đa: 21 Mpa
+ Các loại van: MBP, MBA, MBB
Trong các máy móc, hệ thống thủy lực dùng trong sản xuất, chế biến, gia công…không thể thiếu van chỉnh áp modular Yuci Yuken MB-01 series. Thiết bị chuyên được lắp cho các bộ nguồn thủy lực, máy ép giấy, máy dập khuôn kim loại, máy đột lỗ…
Các loại van Yuci Yuken MB-01
Quý khách hàng có thể tra và tìm mã van chỉnh áp modular Yuci Yuken MB-01 series một cách thuận lợi trong bảng list mà chúng tôi đã tổng hợp và liệt kê dưới đây:
MBP-01*
MBA-01*
MBB-01*
Tài liệu kỹ thuật van chỉnh áp modular Yuci Yuken MB-01
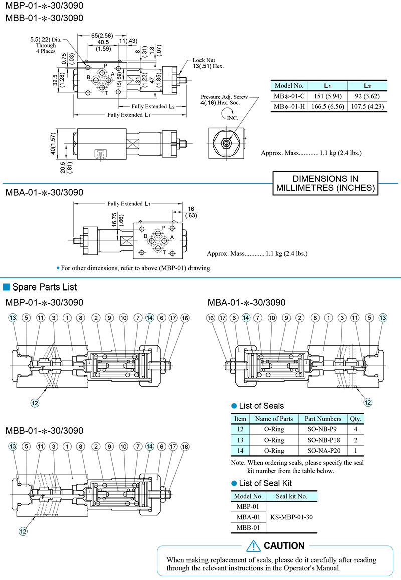
Những thông số kỹ thuật, sơ đồ mã, sơ đồ hoạt động hay bảng thông số lưu lượng, bảng vẽ kích thước chi tiết của van chỉnh áp modular Yuci Yuken MB-01 series sẽ giúp các kỹ sư đọc van nhanh và chính xác hơn, tạo sự thuận lợi cho chọn mua, lắp đặt:
Thông số kỹ thuật van chỉnh áp modular Yuci Yuken MB-01

Sơ đồ chọn mã van chỉnh áp modular Yuci Yuken MB-01

Bảng thông số lưu lượng van chỉnh áp modular Yuci Yuken MB-01

Bản vẽ kích thước van chỉnh áp modular Yuci Yuken MB-01




