Thông tin van Yuci Yuken GCT-02-32 và GCTR-02-32
Đặc điểm van Yuci Yuken GCT-02-32 và GCTR-02-32
Van khóa (van kim) GCT-02-32 và GCTR-02-32 là thiết bị được lắp đặt và sử dụng rộng rãi trong các hệ thống thủy lực. Chức năng của loại van nay là khóa để ngăn áp, ngăn dầu tiếp xúc với đồng hồ hơi khi chưa có nhu cầu đo áp và hiển thị. Điều này giúp đồng hồ có độ bền cao, ít hư hỏng kim đo.
Thông tin kỹ thuật của van khóa (van kim) GCT-02-32 và GCTR-02-32:
+ Tên thiết bị: Van khóa (van kim) Yuci Yuken GCT-02-32 và GCTR-02-32
+ Hãng sản xuất: Yuci Yuken
+ Lưu chất: Dầu, nhớt, chất lỏng thủy lực
+ Kiểu van: Van khóa (van kim)
+ Trọng lượng của van: 0.34 kg
+ Áp suất vận hành tối đa: 35 kg/cm2
+ Các loại van: GCT-02-32, GCTR-02-32
Van khóa (van kim) Yuci Yuken GCT-02-32 và GCTR-02-32 là những thiết bị rất cần thiết để lắp đặt cùng với các đồng hồ đo áp suất trong các bộ nguồn thủy lực hay các loại máy móc thủy lực phổ biến như: Máy dập khuôn, máy đột lỗ, máy ép nhựa…
Các loại van Yuci Yuken GCT-02-32 và GCTR-02-32
Quý khách hàng có thể tra và tìm mã van khóa (van kim) Yuci Yuken GCT-02-32 và GCTR-02-32 một cách thuận lợi trong bảng list mà chúng tôi đã tổng hợp và liệt kê dưới đây:
GCT-02*
GCTR-02*
Tài liệu kỹ thuật van khóa (van kim) Yuci Yuken GCT-02-32 và GCTR-02-32
Những thông số kỹ thuật, sơ đồ mã, sơ đồ hoạt động hay bảng thông số lưu lượng, bảng vẽ kích thước chi tiết của van khóa (van kim) Yuci Yuken GCT-02-32 và GCTR-02-32 sẽ giúp các kỹ sư đọc van nhanh và chính xác hơn, tạo sự thuận lợi cho chọn mua, lắp đặt.
Thông số kỹ thuật van khóa (van kim) Yuci Yuken GCT-02-32 và GCTR-02-32

Sơ đồ chọn mã van khóa (van kim) Yuci Yuken GCT-02-32 và GCTR-02-32

Sơ đồ hoạt động van khóa (van kim) Yuci Yuken GCT-02-32 và GCTR-02-32

Bảng thông số lưu lượng van khóa (van kim) Yuci Yuken GCT-02-32 và GCTR-02-32

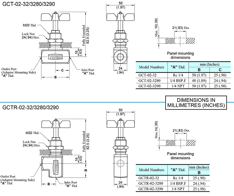
Bản vẽ kích thước van khóa (van kim) Yuci Yuken GCT-02-32 và GCTR-02-32

