Thông tin van Yuci Yuken DSG-03
Đặc điểm van Yuci Yuken DSG-03
Van điện từ điều hướng Yuci Yuken DSG-03 series có cấu tạo gồm 2 phần: Thân van và coil điện. Thân van sẽ có các cửa van, lò xo, pittong, trục. Van thiết kế cứng cáp, chắc chắn và đảm bảo an toàn trong những không gian, môi trường có bụi hoặc nước.
Thông tin kỹ thuật DSG-03 series:
+ Tên thiết bị: Van điện từ điều hướng Yuci Yuken DSG-03 series
+ Hãng sản xuất: Yuci Yuken
+ Lưu chất: Dầu, nhớt
+ Kiểu van: Van điện từ
+ Điện áp: AC 100, AC 120, AC 200, AC 240, DC 12, DC 24, DC 100
+ Lưu lượng tối đa: 120 L/min
+ Áp suất vận hành tối đa: Đối với các loại van DSG-03-2D2, DSG-03-3C, DSG-03-2B thì áp max 31.5 Mpa, các loại DSG-03-3C, DSG-03-2B2 áp max nhỏ hơn khoảng 16 Mpa.
+ Trọng lượng van: Tùy thuộc vào van DSG-03 sử dụng coil điện DC, AC hay R, RQ mà trọng lượng sẽ dao động từ 2.9 Kg- 5.0 kg.
Van điện từ điều hướng Yuci Yuken DSG-03 series trong hệ thống có nhiệm vụ xác định hướng và điều khiển hướng dầu của 1 chu trình làm việc xi lanh hoặc thay đổi, điều khiển hướng của motor dầu. DSG-03 series rất quan trọng trong các hệ thống máy thủy lực: máy xúc, máy đào, máy ép, máy đột hay các bộ nguồn…
Các loại van Yuci Yuken DSG-03
Hiện nay, nhằm đáp ứng nhu cầu sử dụng đa dạng các loại van điều khiển thủy lực thì hãng Yuci Yuken đã cung cấp nhiều loại van DSG-03 series như:
DSG-03-3C2*
DSG-03-3C3*
DSG-03-3C4*
DSG-03-3C5*
DSG-03-3C9*
DSG-03-3C10*
DSG-03-3C11*
DSG-03-3C12*
DSG-03-3C40*
DSG-03-3C60*
DSG-03-2D2*
DSG-03-2B2*
DSG-03-2B3*
DSG-03-2B8*
DSG-03-2B2A*
DSG-03-2B2B*
DSG-03-2B3*
DSG-03-2B3B*
Tài liệu kỹ thuật van điện từ điều hướng Yuci Yuken DSG-03
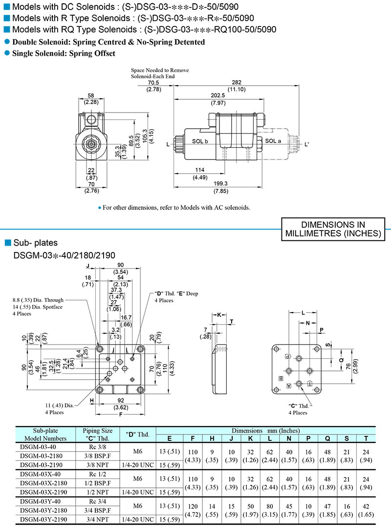
Chắc chắn những thông tin về DSG-03 series như: thông số lưu lượng cụ thể, bảng vẽ kích thước, sơ đồ chọn mã hay sơ đồ hoạt động là những điều mà khách hàng quan tâm hàng đầu. Chúng tôi xin cung cấp các tài liệu tổng hợp để khách hàng cập nhật nhanh chóng, chính xác về loại van điện từ điều hướng này:
Thông số kỹ thuật van điện từ điều hướng Yuci Yuken DSG-03

Sơ đồ chọn mã van điện từ điều hướng Yuci Yuken DSG-03

Bảng thông số lưu lượng van điện từ điều hướng Yuci Yuken DSG-03


Bản vẽ kích thước van điện từ điều hướng 2 tầng Yuci Yuken DSG-03




