Thông tin van Yuci Yuken DCT/G
Đặc điểm van Yuci Yuken DCT/G
DCT/G là một sản phẩm của thương hiệu thủy lực Yuci Yuken. Chức năng chính của nó đó là thay đổi, điều khiển hướng của dòng chất lỏng thủy lực: dầu, nhớt, chất lỏng…
Thông tin kỹ thuật của DCT/G series:
+ Tên thiết bị: Van thủy lực điều hướng giới hạn.
+ Hãng sản xuất: Yuci Yuken.
+ Lưu chất: Dầu, nhớt.
+ Áp suất vận hành tối đa: Đối với loại DCT 01, DCG 01 là 21 Mpa, các loại DCT-03 DCG -03 là 25 Mpa.
+ Lưu lượng: Đối với loại DCT 01, DCG 01 là 30 l/min, các loại DCT-03 DCG -03 là 100 l/min.
Van thủy lực điều hướng giới hạn Yuci Yuken DCT/G series được ứng dụng nhiều trong các hệ thống thủy lực của các loại máy ép, máy kéo, máy nghiền… phục vụ sản xuất công nghiệp, cơ khí chế tạo máy.
Các loại van Yuci Yuken DCT/G
Hiện nay, nhằm đáp ứng nhu cầu sử dụng đa dạng các loại van thủy lực điều hướng giới hạn thì hãng Yuci Yuken đã nghiên cứu và sản xuất nhiều loại van Yuci Yuken DCT/G series như:
DCT-01*
DCT-03*
DCG-01*
DCG-03*
Tài liệu kỹ thuật van thủy lực điều hướng giới hạn Yuci Yuken DCT/G
Để có thể lựa chọn van thủy lực điều hướng giới hạn Yuci Yuken DCT/G series cũng như lắp đặt chính xác, sử dụng hiệu quả thiết bị này, chắc chắn khách hàng không thể bỏ qua những tài liệu kỹ thuật: thông số, sơ đồ chọn mã, bảng thông số lưu lượng hay bảng vẽ sau đây:
Thông số kỹ thuật van thủy lực điều hướng giới hạn Yuci Yuken DCT/G

Sơ đồ chọn mã van thủy lực điều hướng giới hạn Yuci Yuken DCT/G

Sơ đồ van thủy lực điều hướng giới hạn Yuci Yuken DCT/G

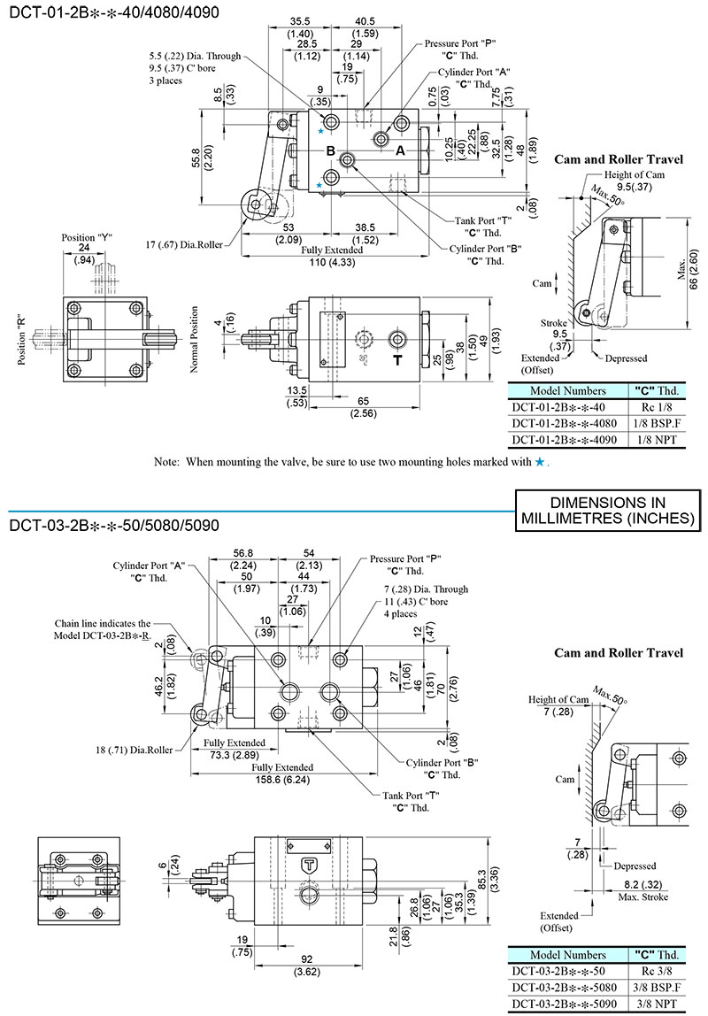
Bản vẽ kích thước van thủy lực điều hướng giới hạn Yuci Yuken DCT/G




