Thông tin van Yuci Yuken CRT/G
Đặc điểm van Yuci Yuken CRT/G
CRT/G series là loại van một chiều bắt ren dạng góc được sử dụng rất nhiều trong hệ thống, dây chuyền thủy lực. Đây là sản phẩm của hãng Yuci Yuken.
Chức năng của CRT/G series đó là cho dòng dầu đi theo một chiều duy nhất, ngăn chặn việc dầu chảy ngược lại. Song song với đó, nó còn giúp giảm thiểu sự rò rỉ của dầu, của áp suất trên đường ống.
Thông tin kỹ thuật Yuci Yuken CRT/G series:
+ Tên thiết bị: Van một chiều góc Yuci Yuken CRT/G series
+ Hãng sản xuất: Yuci Yuken
+ Lưu chất: Dầu, nhớt
+ Kiểu van: van một chiều góc
+ Lưu lượng tối đa: Với loại van CRT 03,CRG 03 thì lưu lượng là 40 L/min, loại CRT 06, CRG 06 là 125 L/min, còn loại CRT10, CRG 10 thì đạt 250 L/min.
+ Áp suất vận hành tối đa: 25 Mpa
+ Trọng lượng van: Dao động tùy thuộc vào model, từ 0.9 kg đến 5.6 kg.
Tùy vào nhu cầu sử dụng mà khách hàng có thể lựa chọn van một chiều thẳng CIT hoặc van một chiều góc CRT/G series. Van CRT/G series được lắp trong các máy ép nhựa, hệ thống thủy lực cán tôn, máy đùn nhôm, máy dập khuôn… chuyên dùng trong nhà máy sản xuất xi măng, cơ khí chế tạo máy, luyện kim, sản xuất và lắp ráp ô tô, chế biến gỗ, sản xuất nhôm, kính…
Các loại van Yuci Yuken CRT/G
Tất cả các dòng van một chiều góc Yuci Yuken CRT/G series đã được chúng tôi liệt kê một cách đầy đủ, chi tiết dưới đây:
CRT-03*
CRT-06*
CRT-10*
CRG-03*
CRG-06*
CRG-10*
Tài liệu kỹ thuật van một chiều góc Yuci Yuken CRT/G
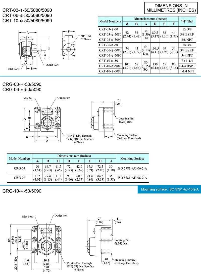
Dưới đây là tài liệu kỹ thuật quan trọng về van một chiều góc Yuci Yuken CRT/G series mà các khách hàng không thể bỏ qua khi tìm hiểu, lựa chọn thiết bị này để lắp mới hay thay thế. Khách hàng có thể tra mã van cũng như tham khảo kỹ về thông số kỹ thuật, thông tin lưu lượng, bảng vẽ cụ thể của nó:
Thông số kỹ thuật van 1 chiều góc Yuci Yuken CRT/G

Sơ đồ chọn mã van một chiều góc Yuci Yuken CRT/G

Bảng thông số lưu lượng và áp suất van 1 chiều góc Yuci Yuken CRT/G

Bản vẽ kích thước van một chiều góc Yuci Yuken CRT/G




