Giới thiệu bơm Yuci Yuken V
Đặc điểm bơm Yuci Yuken V
Bơm piston thẳng hướng trục Yuci Yuken V là bơm áp suất cao, thuộc nhóm bơm thể tích, thích hợp cho các hệ thống trung bình và lớn. Nhiệm vụ của các bơm V (V15/V23/V38) series là hút dầu, chất lỏng từ thùng chứa để đẩy đi vào đường ống, đến với van, xi lanh và các thiết bị khác trong hệ thống. Lưu chất làm việc: dầu thủy lực, dầu sinh học, bơm dầu bôi trơn máy và các loại dầu nhiên liệu khác.
Bơm được thiết kế để có thể cung cấp lưu lượng và áp suất theo yêu cầu với tiếng ồn nhỏ. Bơm nhỏ gọn, không chiếm nhiều diện tích khi lắp đặt. Tiết kiệm điện năng và ứng dụng đa dạng trong các hệ thống thủy lực khác nhau.
Bơm piston là một trong những dòng bơm bán chạy của hãng Yuci Yuken. Nó được dùng nhiều trong hệ thống thủy lực nhà máy xử lý phế liệu, chế biến gỗ, sản xuất phân bón, công trường khai khoáng mỏ, lắp ráp ô tô – xe cơ giới, nhà máy sản xuất thép, xi măng, sắt, inox, cơ khí chế tạo…
Thông số kỹ thuật Yuci Yuken V
+ Tên thiết bị: Bơm piston thẳng hướng trục Yuci Yuken V (V15/V23/V38) series
+ Hãng sản xuất: Yuci Yuken
+ Kiểu bơm: Bơm piston thẳng hướng trục
+ Lưu chất: Dầu, chất lỏng thủy lực, nhớt
+ Áp suất: V18 là 140 kgf/cm2, V15, V23, V38, V50, V70 là 250 kgf/cm2
+ Tốc độ quay max: 1800 rpm
+ Tốc độ quay min: 500 rpm
+ Một số model bơm piston thẳng hướng trục Yuci Yuken V (V15/V23/V38) series như: V15, V18, V23, V38, V50, V70, V15-15, V23-23, V15-38, V38-38, V15-70, V38-70
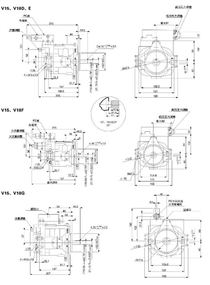
Tài liệu kỹ thuật bơm Yuci Yuken V
Để có thể lựa chọn bơm piston thẳng hướng trục Yuci Yuken V (V15/V23/V38) seriescũng như lắp đặt nhanh, sử dụng hiệu quả bơm này thì chắc chắn các bạn không thể bỏ qua những tài liệu thông số bơm, kích thước bơm ở dưới đây:
Tài liệu thông số bơm Yuci Yuken V

Kích thước bơm Yuci Yken V




