Giới thiệu bơm cánh gạt Yuci Yuken PV2R
Đặc điểm bơm cánh gạt Yuci Yuken PV2R
Bơm PV2R series là dòng bơm cánh gạt vỏ vuông hay còn gọi là bơm lá do hãng Yuci Yuken sản xuất. Bơm khi hoạt động mang đến độ tin cậy cao. Bơm PV2R hoạt động theo cơ chế hút đẩy chất lỏng thủy lực nhờ vào việc tăng giảm áp suất luân phiên khi vận hành.
Bơm cánh gạt Yuci Yuken vỏ vuông PV2R series là thiết bị quan trọng đối với hệ thống dầu bởi nó đóng vai trò trung tâm và thực hiện nhiệm vụ hút, đẩy dầu để kịp thời cung cấp cho cơ cấu, chấp hành làm việc.
Bơm được dùng cho các ngành công nghiệp cơ khí, máy công cụ, máy móc kỹ thuật, máy móc nhựa, máy đúc nhôm, máy ép nhựa, máy rèn, máy vận chuyển… trong nhà máy, xưởng sản xuất.
Thông số cơ bản bơm Yuci Yuken PV2R
+ Tên thiết bị: Bơm cánh gạt vỏ vuông Yuci Yuken PV2R series.
+ Hãng sản xuất: Yuci Yuken.
+ Kiểu van: Bơm cánh gạt vỏ vuông.
+ Lưu chất: Dầu, nhớt, chất lỏng thủy lực.
+ Lưu lượng bơm: 5.8 cm3/ rev- 237 cm3/ rev.
+ Tốc độ quay max: 1800 r/min.
+ Tốc độ quay min: PV2R1 là 750 r/min, PV2R2 và PV2R3 là 600 r/min, PV2R4 là 600 r/min.
+ Một số model bơm PV2R như: PV2R1-6, PV2R1-8, PV2R1-10, PV2R1-12, PV2R1-14, PV2R1-17, PV2R1-23, PV2R1-25, PV2R1-31, PV2R2-41, PV2R2-47, PV2R2-53, PV2R2-59, PV2R2-65, PV2R3-76, PV2R3-94, PV2R3- 116, PV2R4-136, PV2R4-153, PV2R4-184, PV2R4-200, PV2R4-237….
Tài liệu kỹ thuật Bơm Yuci Yuken PV2R
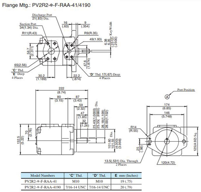
Những thông số kỹ thuật, mã đặt đơn hàng bơm, bảng vẽ kích thước lắp bơm Yuci Yuken PV2R sẽ giúp người dùng nắm bắt thiết bị nhanh hơn cũng như tạo sự thuận lợi cho chọn mua, lắp đặt:
Thông số kỹ thuật Bơm PV2R

Mã đặt đơn hàng bơm Yuci Yuken PV2R

Bản vẽ kích thước lắp bơm Yuci Yuken PV2R


